


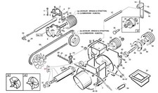
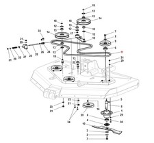
Rasaerba tagliaerba scoppio
A trazione scheppach - Un larghezza di taglio -> 53 cm - un tipo di propulsione uguale a ´semovente´ - un fonte di alimentazione stabilito come benzina - compreso: semovente, 225cc - Nuovo. Italia ¬
Prezzo: 319 €
Stato del prodotto: Nuovo
#sponsored